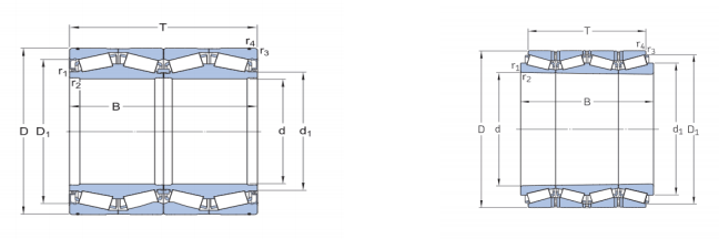
Four row tapered roller bearing OD:844.55mm/OD:857.25mm/OD:787.4mm/OD:813.562mm/OD:815mm
|
Designations |
Boundary Dimensions |
Basic Load Ratings |
Mass(kg) |
|||
|
d |
D |
B |
Cr |
Cor |
Refer. |
|
|
M280049DW/ 10/ 10D |
595.312 |
844.55 |
615.95 |
17300 |
39000 |
1125 |
|
M280249DGWA/ 10/ 10D |
603.25 |
857.25 |
622.3 |
14000 |
38900 |
1172 |
|
EE649242DGW/310/311CD |
609.6 |
787.4 |
361.95 |
7100 |
22000 |
460 |
|
LM280249DGW/ 10/ 10D |
609.6 |
813.562 |
479.425 |
10 600 |
30500 |
703 |
|
NP472983/ NP261943 |
625 |
815 |
480 |
13200 |
31000 |
658 |





