Lock plate MS 44 MS 52 MS 60

Short Description:

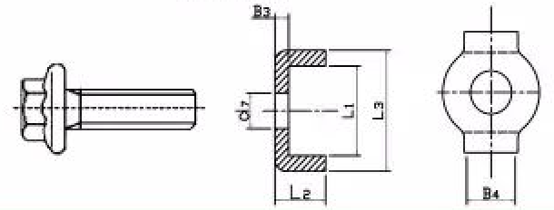
MS 44: B3:4mm B4:20mm L2:12mm

MS 52: B3:4mm B4:24mm L2:12mm

MS 60: B3:4mm B4:24mm L2:12mm


Product Detail

Product Tags

Definition and classification of bearing lock ring
The bearing lock ring is an important mechanical connection that can fix the bearing and shaft together to prevent the bearing from displacing and sliding when rotating. It is usually made of elastic materials and specially designed manufacturing materials with geometric shapes.
According to its shape and application, the bearing lock ring can be divided into internal lock ring and external lock ring. The inner locking ring is usually used to fix the bearing position on the shaft, so that the bearing can rotate relative to the shaft, while the outer locking ring is used to fix the bearing position on the outer bushing or seat.
Second, the role of the bearing lock ring
The role of the bearing lock ring is to ensure that the bearing remains stable when rotating at high speed, and does not shift or slide, so as to ensure the normal operation of the machine. It can also withstand the radial and axial forces on the bearing and transfer them to the shaft to ensure that the shaft can withstand all the loads.
In addition, the bearing lock ring improves the durability and life of the bearing by increasing friction and contact area. When there is loosening between the bearing and the shaft, the locking ring can maintain a tight state to prevent the bearing from being damaged by vibration.

locking plate

 

Designations

Boundary Dimensions

Screw

B3

B4

L2

d7

L3

L1

MS 44

4

20

12

9

30.5

22.5

M8×16

MS 52

4

24

12

12

33.5

25.5

M 10×20

MS 60

4

24

12

12

38.5

30.5

M 10×20

MS 64

5

24

15

12

41

31

M 10×20

MS 68

5

28

15

14

48

38

M 12×25

MS 76

5

32

15

14

50

40

M 12×25

MS 80

5

32

15

18

55

45

M 16×30

MS 88

5

36

15

18

53

43

M 16×30

MS 96

5

36

15

18

63

53

M 16×30

For more information , please contact our email :info@cf-bearing.com

 


  • Previous:
  • Next:

  • Related Products